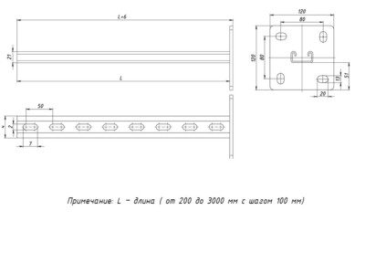
STRUT-стойка 41х21 мм, основание 600 мм HDZ EKF
STRUT-стойка 41х21 мм, основание 600 мм HDZ EKF
Бесплатная консультация
Качественное обслуживание
STRUT-стойка 41х21 мм, основание 600 мм HDZ EKF
STRUT-стойка 41х21 мм, основание 600 мм HDZ EKF
Посмотрите похожие и смежные товары
Все товары похожие и смежныеБлок вентиляторов 2 шт для T2 600 черный + верхняя крышка для шкафа Т2 600*600 Netko. Образец
В наличии на складе













































































