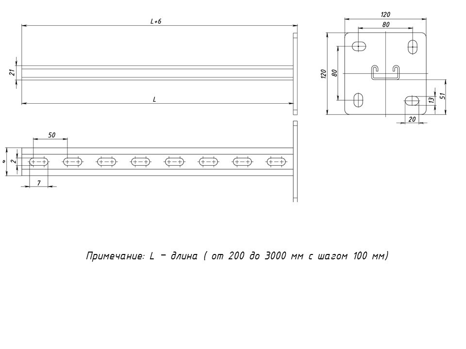
STRUT-стойка 41х21 мм, основание 500 мм HDZ EKF
STRUT-стойка 41х21 мм, основание 500 мм HDZ EKF
Бесплатная консультация
Качественное обслуживание
STRUT-стойка 41х21 мм, основание 500 мм HDZ EKF
STRUT-стойка 41х21 мм, основание 500 мм HDZ EKF
Посмотрите похожие и смежные товары
Все товары похожие и смежныеСветильник НТУ 03-150-500 шар d=500 мм IP55 (опал ПММА, основание плоское ПК 250, Е27) TDM
В наличии на складе













































































