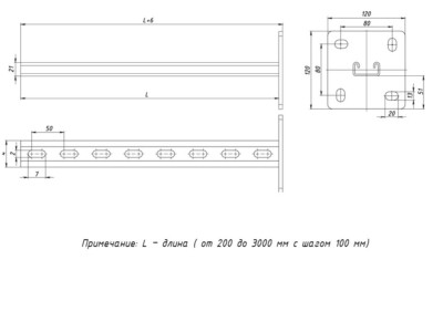
STRUT-стойка 41х21 мм, основание 300 мм HDZ EKF
STRUT-стойка 41х21 мм, основание 300 мм HDZ EKF
Бесплатная консультация
Качественное обслуживание
STRUT-стойка 41х21 мм, основание 300 мм HDZ EKF
STRUT-стойка 41х21 мм, основание 300 мм HDZ EKF
Посмотрите похожие и смежные товары
Все товары похожие и смежныеСветильник НТУ 03-100-300 шар d=300 мм IP54 (опал ПММА, основание плоское ПК 145, Е27) TDM
В наличии на складе













































































