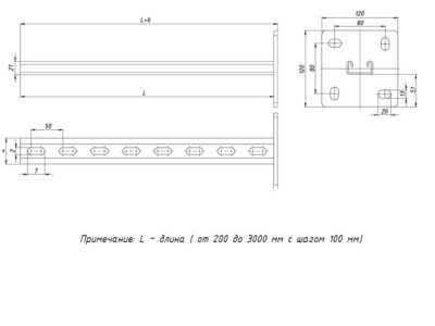
STRUT-стойка 41х21 мм, основание 1800 мм HDZ EKF
STRUT-стойка 41х21 мм, основание 1800 мм HDZ EKF
Бесплатная консультация
Качественное обслуживание
STRUT-стойка 41х21 мм, основание 1800 мм HDZ EKF
STRUT-стойка 41х21 мм, основание 1800 мм HDZ EKF
Посмотрите похожие и смежные товары
Все товары похожие и смежныеУгловая шлифмашина УШМ 1800/230, мощ. 1800 Вт, диск 230 мм, 6500 об/мин, шнур 3 м, “Рубин” TDM
В наличии на складе
Тепловентилятор ТВК-1, 1800 Вт, регул. мощн. (900/1800 Вт), термостат, керам. нагр. элемент, TDM
В наличии на складе













































































